Here's my quick and dirty version of the TV-B-Gone kit form Adafruit Industries, The open source version of Mitch Altman's TV-B-Gone.

This version is:
* derived from Firmware v1.2 sources
* ported MSP430 architecture
* tested on msp430g2452 and msp430g2211
* built from scrap parts
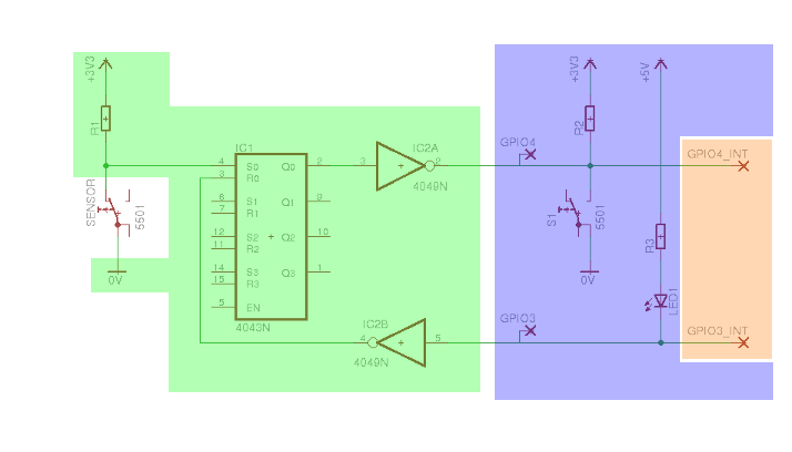
Following are a hand-drawn schematic and the accompanying "routing" diagram (note that there are a pull-up resistor and a pull-down capacitor missing on ¬RST, but the one on P1.3 is handled by P1REN):

You can have a look at the repository for my changes, its origin is the v1.2 sources.
There are currently three different branches:
* with_crystal_sync uses an external 32 KHz Xtal for clock calibration
* master uses the factory-calibrated values instead, eliminating the need for the external Xtal, and saving a few dozen bytes
* 8k_fill removes the debugging code to fill the 8 KB of ROM of the MSP430G2452 with as many TV codes as possible
Most of the changes are hardware related, and can be found in the following functions of main.c:
* main: clock setup, hardware configuration, main loop providing low power mode switching
* blast_code: timer setup for the carrier
* xmitCodeElement: output pin function selection depending on carrier usage
Note that I initially tried to use an interrupt to handle the carrier manually, instead of relying on the Capture/Compare Control Register, which turned out to not work so great, due to the delay function not accounting for the time spent in the interrupt handler.

This version is:
* derived from Firmware v1.2 sources
* ported MSP430 architecture
* tested on msp430g2452 and msp430g2211
* built from scrap parts
Following are a hand-drawn schematic and the accompanying "routing" diagram (note that there are a pull-up resistor and a pull-down capacitor missing on ¬RST, but the one on P1.3 is handled by P1REN):

You can have a look at the repository for my changes, its origin is the v1.2 sources.
There are currently three different branches:
* with_crystal_sync uses an external 32 KHz Xtal for clock calibration
* master uses the factory-calibrated values instead, eliminating the need for the external Xtal, and saving a few dozen bytes
* 8k_fill removes the debugging code to fill the 8 KB of ROM of the MSP430G2452 with as many TV codes as possible
Most of the changes are hardware related, and can be found in the following functions of main.c:
* main: clock setup, hardware configuration, main loop providing low power mode switching
* blast_code: timer setup for the carrier
* xmitCodeElement: output pin function selection depending on carrier usage
Note that I initially tried to use an interrupt to handle the carrier manually, instead of relying on the Capture/Compare Control Register, which turned out to not work so great, due to the delay function not accounting for the time spent in the interrupt handler.





